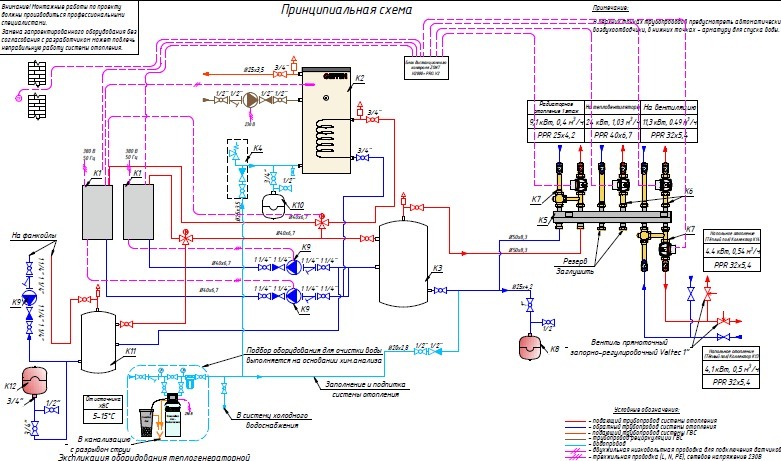
Организация отопительной системы здания промышленного назначения с использованием теплового насоса Polaris PS AIR 50IN серии Vetero, в данном случае каскада двух тепловых насосов мощностью 100 кВт. Предполагает комплекс мероприятий, направленных на эффективное использование возобновляемых источников энергии, снижение эксплуатационных расходов и повышение энергоэффективности предприятия.
Тепловые насосы окупятся за 10 месяцев эксплуатации. Ежемесячная экономия на счетах за электроэнергию будет доходить до 512000 рублей.
Тепловой насос типа воздух-вода модели PS AIR 50IN извлекает тепло из наружного воздуха и передает его теплоносителю.. Система состоит из внешнего блока (теплообменника с вентилятором) и внутреннего оборудования (гидравлических узлов, бойлеров косвенного нагрева, циркуляционного насоса).
Моноблок теплового насоса PS AIR 50IN установлен снаружи помещения, оснащён мощным компрессором и теплообменником с большим забором воздуха для стабильной работы даже при низких температурах окружающей среды (-25°C).
Гидромодуль размещается внутри помещений и обеспечивает распределение нагретой воды по контурам системы отопления - радиаторы, теплые полы, фанкойлы. Система делится на несколько контуров, обслуживающих разные зоны офиса и производственных цехов. Производственные площади с высокими потолками обогреваются через систему водяных теплых полов и настенных конвекторов. Для офисных зон используются настенные радиаторы и воздушно-конвекционные панели, подключённые к общей гидравлической сети. Горячая вода для бытовых нужд производится в отдельном бойлере косвенного нагрева от теплового насоса.
Экономия затрат на энергоресурсы по сравнению с традиционными системами отопления - электрическими и дизельными котлами примерно на 60% сократит эксплуатационные затраты.
Экологическая эффективность, за счёт сокращения выбросов углекислого газа, уменьшения нагрузки на энергосистемы региона.
Срок службы теплового насоса составляет около 12-20 лет.
Итоговая экономия - применение системы отопления на базе теплового насоса позволяет экономить значительные средства благодаря снижению потребления традиционных видов топлива, сокращению платежей за электричество и уменьшению издержек на техническое обслуживание и замену компонентов системы. Эффективность решения особенно заметна при масштабировании проекта на крупные объекты промышленности и коммерческой недвижимости.
Тепловые насосы окупятся за 10 месяцев эксплуатации. Ежемесячная экономия на счетах за электроэнергию будет доходить до 512000 рублей.
Тепловой насос типа воздух-вода модели PS AIR 50IN извлекает тепло из наружного воздуха и передает его теплоносителю.. Система состоит из внешнего блока (теплообменника с вентилятором) и внутреннего оборудования (гидравлических узлов, бойлеров косвенного нагрева, циркуляционного насоса).
Моноблок теплового насоса PS AIR 50IN установлен снаружи помещения, оснащён мощным компрессором и теплообменником с большим забором воздуха для стабильной работы даже при низких температурах окружающей среды (-25°C).
Гидромодуль размещается внутри помещений и обеспечивает распределение нагретой воды по контурам системы отопления - радиаторы, теплые полы, фанкойлы. Система делится на несколько контуров, обслуживающих разные зоны офиса и производственных цехов. Производственные площади с высокими потолками обогреваются через систему водяных теплых полов и настенных конвекторов. Для офисных зон используются настенные радиаторы и воздушно-конвекционные панели, подключённые к общей гидравлической сети. Горячая вода для бытовых нужд производится в отдельном бойлере косвенного нагрева от теплового насоса.
Экономия затрат на энергоресурсы по сравнению с традиционными системами отопления - электрическими и дизельными котлами примерно на 60% сократит эксплуатационные затраты.
Экологическая эффективность, за счёт сокращения выбросов углекислого газа, уменьшения нагрузки на энергосистемы региона.
Срок службы теплового насоса составляет около 12-20 лет.
Итоговая экономия - применение системы отопления на базе теплового насоса позволяет экономить значительные средства благодаря снижению потребления традиционных видов топлива, сокращению платежей за электричество и уменьшению издержек на техническое обслуживание и замену компонентов системы. Эффективность решения особенно заметна при масштабировании проекта на крупные объекты промышленности и коммерческой недвижимости.