Тепловые насосы - кейсы

Очередной проект котельной на базе теплового насоса

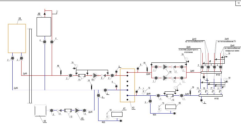
Мы являемся ведущим производителем и поставщиком тепловых насосов для отопления складов, складских комплексов, архивных хранилищ. Наши тепловые насосы зарекомендовали себя на рынке благодаря высокой эффективности, надежности и экономичности. Экономия энергии с помощью теплового насоса. Тепловые насосы работают по следующему принципу: они извлекают тепло из наружного воздуха или грунта и передают его в помещение. Благодаря этому достигается значительная экономия энергоресурсов и снижение эксплуатационных расходов. Наши тепловые насосы имеют ряд преимуществ: Высокая эффективность и низкое энергопотребление. Надежность и долговечность. Простота монтажа и обслуживания. Автоматизированное управление. Безопасность и экологичность. Мы предлагаем широкий модельный ряд тепловых насосов различной мощности и производительности, что позволяет подобрать оптимальное решение для любого объекта. Все наши тепловые насосы поставляются с подробными инструкциями по установке и эксплуатации. Мы также предоставляем гарантию на все оборудование и оказываем техническую поддержку нашим клиентам. Вот на фото очередной проект котельной на базе теплового насоса для складского комплекса в Москве. Хотите иметь недорогое отопление, наши контакты ниже.